ANSVC無功補償裝置在南京某高等院校中的應用
摘要: 隨著人們對電能質量與治理日益增長的需求,人們對電網電能治理的要求越來越高。對于高等院校來說,想要安全穩定的電網,就需要解決電網的電能治理問題,對高校不同區域的實際情況進行評估,相應的問題提出相應解決措施。ANSVC無功補償裝置對電網的安全經濟運行、保障高校用電質量和科學實驗的正常運行起著至關重要的作用。
關鍵詞:電能質量,高等院校,SVC,無功補償
0:概述
高等院校中的電網功率因數普遍偏低,會導致損耗增加、輸送容量減少、電網電壓偏移,影響教學樓日常用電、實驗室設備壽命縮短。安裝ANSVC無功補償裝置進行無功補償,可將功率因數提高到0.95,改善電壓波動、閃變等狀況。普通電容器組經濟效益高、維護簡便、自身損耗小,可以快速地保障高校的電能質量。
高等院校中負載多為照明、空調、教學設備、宿舍樓用電、教師公寓用電等,由三相負載、單相負載組合而成,其主要產生3、5、7次諧波,電網中的變壓器既傳輸有功也傳輸無功,但無功在電網流入流出過程中會有損耗,因而功率因數下降,會引起負載工作異常、電費罰款較多。所以要選擇ANSVC無功補償裝置進行無功補償,節約成本。
1:項目概述:
南京某高等院校信息技術科研樓改造項目,該項目建筑樓層10層,高低壓配電室建設于2012年,低壓電力電容采用的是傳統電容,現使用年限已到,低壓電力電容老化嚴重,部分電容已經出現變形,電容老化易引起爆炸,造成安全事故,影響用電安全,也會造成功率因數偏低,電能質量差。
為了確保用電安全,排除安全隱患,保證配電室用電設備和配電設備正常運行,現將對配電室低壓電容器、電抗器、投切開關、功率因數控制器等電容設備進行改造。改造后要求每臺無功補償柜補償后的功率因數大于0.95要求的功率因數,系統內諧波小于5%。提高電能質量,可確保電容補償設備正常運行,低壓電力電容改造重在強調改造后補償的安全性,可靠性,低壓電容配比補償量占變壓器總容量(20%-30%)的比例,同時改造后電容補償要求實用性與智能性,改造后的功率因數控制器具有RS485標準接口,支持Modbus標準通訊規約,可方便接入電力監控管理系統平臺,可進行遠程實時監控,在線巡檢及數據管理,也可對設備運行狀態實時監測與預警。
圖1 改造前配電室現場圖片
2:解決方案
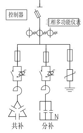
高校中的既有三相負載又有單相負載,選擇共補電容器和分補電容器進行混合補償,而系統中的3、5、7次諧波會引起電容器壽命縮短或直接鼓包損壞,所以選擇14%電抗率的電抗器來保護電容器,安裝ANSVC無功補償裝置進行無功補償,可以提高電能質量,保護設備,節省開支。
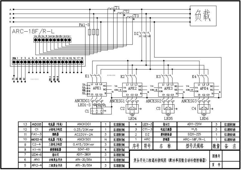
圖2 二次接線圖紙
根據二次接線圖紙提供的信息:單柜裝機容量為200kvar,分補占總容量的40%,電抗率14%,選擇適當的配置方案: 200kvar=共補(40kvar*3)+分補(30kvar*2+20kvar)
3:ANSVC無功補償裝置
3.1 概述
ANSVC無功補償裝置適用于頻率50Hz電壓0.4KV的系統中,集無功補償、電網監測于一體,不但可以通過投切電容器來補償電網中的無功損耗,提高功率因數,降低損耗,從而提高電網的負載能力和供電質量,同時還能夠實時監測電網的三相電壓、電流、功率因數等電量參數。ANSVC無功補償裝置由電容器、電抗器、投切開關、控制器等散件組成。
3.2 ANBSMJ自愈式并聯電容器
電容器采用自愈式并聯電容器,自愈式在擊穿后可以進行自我恢復,工作狀態下損耗小,并聯式電容器即使損壞也不會影響電網的正常使用。電容器從外形上分為圓形(圖1)和方形(圖2),功能上分為共補電容和分補電容(圖3)
圖3 圓形電容
圖4方形電容器
圖5共補分補電容器上圖示例
3.3 ANCK串聯電抗器
ANCK系列串聯電抗器與ANBSMJ系列自愈式低壓并聯電容器配套使用,主要用于提高0.4KV電力系統的功率因數,抑制電網的高次諧波,減輕電容器由諧波引起的過載,防止諧波過大,對電容器的安全運行,改善網絡電壓波形,提高供電質量和電網安全經濟運行起良好作用,適用于3、5、7、9次諧波負載的無功補償。ANCK采用銅或鋁繞組,電抗分為共補電抗(圖4)和分補電抗(圖5),電抗率分為7%或14%
圖6 共補電抗
圖7 分補電抗
3.4 AFK投切開關
AFK系列投切開關是低壓無功補償裝置中,用于投切電容器的產品。其基本工作原理是在控制器發出投入或切除指令后,投切開關閉合或斷開,將無功補償支路與系統連接或中斷,實現過零投切,投切過程無過壓、電弧等現象,響應時間快,可頻繁投切。投切開關分為復合開關(圖6)和晶閘管開關(圖7)。
圖8 復合開關圖
圖9 晶閘管開關
3.5 ARC控制器
ARC功率因數補償控制器采用高性能MCU為核心,配以高精度的電量專用芯片,是以功率因數為取樣物理量的補償器,改控制器能可靠地運行在大諧波、非正弦電流、強干擾等任何惡劣電網環境下。自適應功能保證了電力電容的使用安全,實現了電容補償柜的自動穩定投切,改善電網的功率因數,是低壓配電系統補償無功功率的理想控制器。
產品的主要特點:缺相保護、過溫保護、過壓欠壓保護、電壓電流諧波保護、多種編碼投切、補償方式多樣化。
ARC控制器外形尺寸:144*144
開孔尺寸:138*138
圖10 控制器外形
圖11 控制器尺寸
3.6 技術參數
3.7 接線方式
4 結語
ANSVC無功補償裝置在該項目中長期投入運行,安全可靠,取得國家檢驗機構頒發的帶有CMA、CAL、ilac-MRA、CNAS等認證資質的型式試驗報告,售后服務有保障。既能補償系統中的無功需量,也能實時監測系統中的各項參數,方便快捷地將數據傳輸到后臺進行統一管理,使整個配電工程實現了綜合自動化。
5 參考文獻
[1] 企業微電網設計與應用手冊.2020.6
[2] 戴曉亮.無功補償技術在配電網中的應用[J].電網技術,1999,23(6).
[3] 王長征.配電網無功補償技術在油田電網中的應用[J].電世界,2018,23(3):11-13.




掃一掃添加微信